該信息來自:上海雷郎電器設備制造有限公司 瀏覽量:8897 發表時間:2017-06-21
目錄
一.首端、尾端和同名端的概念
1. 變壓器繞組的路端子和首尾端
2. 兩個繞組的同名端
3. 首端、尾端跟同名端的關系
4. 同名端的測試方法
二.三相變壓器的聯結方式和聯結方式的標號
1. 表示聯結方式的字母符號
2. 表示聯結組別的數字符號
3. 表示三相變壓器結線狀況的標號
三.三相變壓器聯結組別的判定方法
1. Y-d形結線的變壓器聯結組別的判定方法
2. D-y形結線的變壓器聯結組別的判定方法
3. Y-y形結線的變壓器聯結組別的判定方法
4. D-d形結線的變壓器聯結組別的判定方法
5. Z形變壓器的聯結組別的判定方法
四.根據變壓器組別標號繪制接線圖的方法
1. Y-y形接線的變壓器結線圖的繪制方法
2. Y-d形和D-y形變壓器結線圖的繪制方法
3. Z形變壓器的結線組別的判定方法
五.三相變壓器負序相量圖的繪制方法
(正文)
在電力系統,三相變壓器是最重要的高壓電器設備之一。本文準備簡單介紹三相變壓器的結線原理和結線方式,并且重點介紹怎樣根據結線方式來判斷三相變壓器的聯結線組別。所謂“聯結組別”實際上就是弄清楚低壓繞組上的電壓的相位跟對應的高壓繞組上的電壓相位相比時,低壓落后多大角度。當計算和分析三相電路時,必須搞清楚這個問題。并作相應的技術處理,否則,否則可能釀成重大事故。
當前,國內書刊介紹的判別三相變壓器的聯結組別的方法有多種,基本上都是按線電壓來判別的。可是,國際標準(我國已全面采用作為國家標準)中明確規定用相電壓進行判斷,在IEC標準中給出了相量示意圖,但是并沒有作解釋。在美國的大學課本中(見文獻1)介紹了相量圖的畫法和結線組別的分析方法。本文就是介紹這種方法的。在學習介紹過程中,作者也提出了更簡化的分析判定方法。
一.首端、尾端和同名端的概念
1.變壓器繞組的線路端子和首尾端
三相變壓器可以是由三個單相變壓器通過外部連線組成,也可以制成一個整體的三相變壓器。不管用哪種方法組成三相變壓器,總得要把各個端子的用途標示出來。在國家標準中把用于連接電網絡導線的端子稱為線路端子。高壓繞組的線路端子通常是用大寫的A、B、C或U、V、W表示;低壓繞組的線路端子通常是用小寫a、b、c或u、v、w表示。見下圖。
圖1 三相變壓器的線路端子及其標記
通常把跟線路端子連接的繞組那端稱為首端(或始端),在我國,線路端子的符號就是繞組的首端符號。也就是說,首端沒有專門的符號。把同一個繞組的另一端稱為尾端(或末端),高壓繞組的尾端通常用大寫的X、Y、Z表示;低壓繞組的尾端通常用小寫的x、y、z表示。見圖1,這是我國的標記方法。
但是,在文獻1中,高壓側的首端是另有符號的。所用的符號是H1、H2和H3Ha、Hb和Hc表示;低壓側則用X1、X2和X3或Xa、Xb和Xc表示。尾端則沒有專用符號。這點跟我們國家不同。見上圖的右圖。
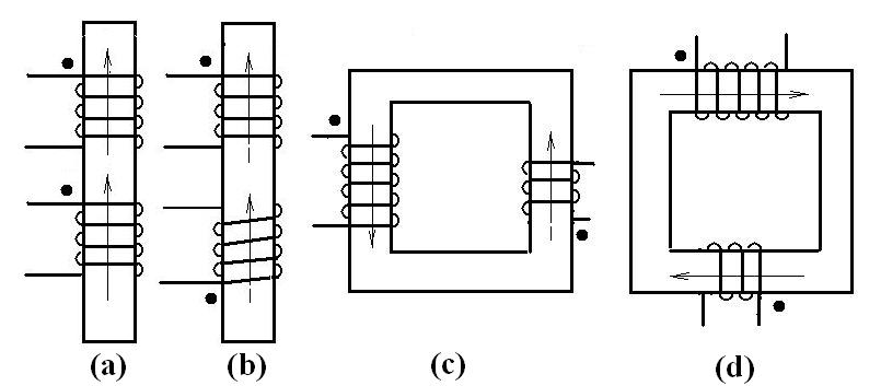
2. 兩個繞組的同名端
在交流電路里,變壓器的感應電壓方向是跟繞組的纏繞方向緊密相關的。但是,當畫電路圖時,不便畫出繞組的繞線方向,怎么辦呢?用標出同名端的方法來解決。什么是同名端呢?請看下圖:
圖2 繞組的同名端標記
圖中畫的是變壓器的部分鐵芯和纏繞在鐵芯上的繞組,黑點是極性標志。有四種情況。圖(a)是把繞制方向相同的兩個繞組的始端作了標記(黑點);圖(b)的兩個繞組的總體繞向雖然是相反的,但是,從上面繞組的始端和下面繞組的末端看,繞組的繞向還是相同的,因此,它們也是同名端。
可見,從繞組的纏繞方向看,可以這樣決定同名端:處于同一鐵芯柱上的兩個繞組中,實際纏繞方向相同的兩個端子就稱為同名端。
對圖(c)和圖(b)那樣的繞制情況,用繞制方向判斷同名端比較困難,可以用右手螺旋定則來判斷。方法是:兩個端子通入同一個電流時,繞組所產生的磁通是同向的,因而是相加的。這樣的兩個端子就是同名端。圖中的細線就表示了磁通方向。
可見,同名端除了能表示上述兩個特點(表示繞組的纏繞方向相同和表示通電流后磁通相加)外,還可以表示:
① 如果把瞬變電流加到一個端子后,另一個繞組的同名端的電位會提高。電流如果是從一側的同名端進入,則從另一側的同名端流出;
② 如果有一個交變磁通跟這兩個繞組交鏈時,根據楞茨定律可知,在兩個繞組感生的電壓是同相的;
③ 如果在一個繞組上供以電壓,會在另一個繞組上感生一個同方向的電壓。
用上述方法標志同名端的方法,習慣上稱為“減極性”表法。也稱為“I,i0”聯結法。
應該說明的是:在圖2中,不打黑點的另一對端子之間也稱為同名端。如果把上圖中的黑圓點全部易位,也還是“減極性”標法。可見,同名端取決于兩個繞組的繞線方向。繞線方向相同的兩個端子就是同名端。如果兩個繞組繞向相反,可以把同名端標志也標反(見圖2的b圖),這樣標法還是同名端標法。
還有一種標注法稱為“加極性標注法”,也稱I,i6聯結法。這種標注法的特點是把繞組繞制方向相反的兩個端子作為同名端。例如,當將圖2中的同一鐵芯柱上的其中一個圓點換一下位置,就變成“加極性”標注法了。
因為目前的三相變壓器大都是采用“減極性”標志的,所以,已經很少有人再提“加極性”和“減極性”的概念。但是,在本文的第四節也介紹了一下“加極性”的應用問題。
3.首尾端和同名端的關系
從定義來看,首端、尾端跟同名端似乎沒有什么關系。但是,當判斷結線的組別時,必須綜合考慮不同端子的不同用途。另外,當首端確定以后,在“減極性”的情況下,人們都是要把極性標志加到高壓和低壓繞組的首端的。在“加極性”的情況下,人們都是選擇高壓的首端和低壓的尾端作為同性端的。
4.同名端的測試方法
如果在變壓器上的極性沒有標志或標志不清楚時,可以通過簡單試驗確定。當用直流法測定時,可用下圖的結線方法。圖中的E是干電池;K是開關。
圖3 用直流法檢驗變壓器繞組的極性
當把開關K閉合的瞬間,如果電壓表(或直流毫伏表、毫安表)的指針向正方向偏轉,就說明極性標志正確,是“減極性”。否則是“加極性”。
理由:如果變壓器繞組是按“減極性”標志的,當電流從一個繞組進入時,電流會從另一個繞組的同名端流出。
也可以采用交流方法試驗,其結線如圖4所示。當電壓表V2的讀數低于V1時,表明圖中的極性標志是正確的。如果電壓表V2的讀數高于V1時,表明圖中的極性標志是不正確的,應該是“加極性”的。
理由:如圖4那樣標注時,是“減極性”標注。這樣,變壓器兩個繞組上的電壓就應該是同相的。當把非極性端短路時,電壓表所測量的就是兩側電壓之差,即讀數V2小于讀數V1 。否則,是加極性。
圖4 用交流檢驗變壓器極性的結線
二.三相變壓器的聯結方式和聯結方式的標號
1.表示聯結方式的字母符號
三相變壓器常見的聯結方式有星形(Y形)、三角形(
形)。也有開口三角形(V形)、自耦形和曲折形(Z形)。最常見的是星形和三角形。在圖1的高壓側就是星形;低壓側就是三角形。但是,當畫三相結線圖時,很少用圖1的表示方式,而是用下圖所示的幾種方法之一的。
圖5 常見的幾種三相變壓器結線圖畫法
在圖5中,左面的圖形是在我國文獻資料中經常采用的畫法;中間的圖形是文獻1(現行美國大學課本)中采用的畫法;右面的圖形則是在國際電工委員會(IEC)制定的電力變壓器標準IEC 600761-1999中提供的畫法。我國已經全盤采納了這個標準,標準代碼是GB 1094-1。
不論采用哪種畫法,總是要把高壓繞組畫到上方;把低壓繞組畫到下方的。
由圖5可見,在前兩種畫法中,都把同極性和端子名稱表示出來了,是“減極性”還是“加極性”一目了然。從圖中的標注方法看,都是按“減極性”標注的。但是,在IEC的畫法中則沒有把同名端標出來。但是,從所給出的標記中可以看出,IEC的標準也都是按“減極性”畫的。
另外,在美國課本的接線端子標志中,把高壓側的端子上都加“H”(High),因為判別聯結組的組別時,是以高壓端為基準的。
當把高壓側結成Y形,把低壓側也結成Y形時,我們就說這是Y-Y形結線;當把高壓側結成Y形,把低壓側結成三角形時,我們就說這是
形結線;當把高壓側結成三角形,把低壓側結成Z形時,我們就說這是
-Z形結線。
在上述的每種結線方式中,又有多種結線方法可選。例如,在Y-Y形結線類型中有6種結線方法;在Y-
形結線和
-Y形結線類型中也各有6種結線方法。同樣,在Y-Z和
-Z結線中也各有6種結線方法。
不過,基于安全、經濟和實用的角度出發,許多結線方法是不宜采用的。例如,當用高壓進行遠距離輸電時就,為了經濟,高壓側就不應該采用三角形結線;當用三臺單相變壓器組成三相變壓器組時,為了避免三次諧波的影響,就不能采用Y-Y 形結線;為了安全,在某些情況下必須把中性點引出來等等。
在我們國家的相應規定中,目前生產的變壓器型號中,其組別編號只有Yyn0、Yd11、YNd11、YNy0和Yy0等5種。
其中的Yyn0聯結組是在低壓側引出中性點,便于220V電器用戶使用;YNd11主要是供高壓輸電使用。
2. 表示聯結組別的數字符號
我們知道,對于單相變壓器來說,高壓側的電壓跟低壓側的電壓之間的相位差,不是零度,就是180度。但是,對于三相變壓器來說,情況就要復雜得多。它們之間的相位差在零至330度之間。間隔是30度。
所謂三相變壓器的結線組別,就是給變壓器的各種結線方法編的號碼,從這些號碼就可以知道變壓器是怎樣結線的。
因此,判別三相變壓器組別的工作,就是判別高壓端的電壓跟低壓端的相應電壓間的相位差是多大的問題。具體說,三相變壓器的組別編號是根據低電壓的相位落后于對應的高電壓的相位角是多少而定的,跟一次側和二次側無關。
怎樣區分和表示不同的聯結方法呢?根據變壓器的國際標準(IEC 60076-1)和國內標準(GB 1094.1-1996)的規定大體是:三相變壓器聯結方式的編號是由字母和數字兩部分組成的。例如:Yy4、Yd11、Dy11、YNd11等。其中的字母表示結線方式;數字表示結線的組別。具體介紹如下:
根據國際標準和國家標準的規定:“變壓器高壓、中壓、低壓繞組聯結字母標志應按額定電壓遞減的次序標注”。在這里,要特別注意的是“按額定電壓遞減的次序標注”,而不是“按原邊和副邊的次序標注”。所以,當結線方式標志的排序為YNd時,并不是說一次側一定是高壓Y結線。
具體說: Y形、三角形和Z形(也叫曲折形)結線的高壓繞組用大寫字母Y、D和Z分別表示;對應的低壓繞組分別用小寫字母y、d和z表示。
對于Y形結線來說,高壓側的中性點引出線用大寫的N字表示;低壓側的中性點引出線用小寫的n字表示;
對于自耦變壓器的低壓繞組用auto或a表示。
例如:Dyn表示高壓繞組是三角形結線;低壓繞組是Y形結線,并有中性點引出;
YNyn表示高壓繞組是星形聯結,低壓繞組也是星形聯結,而且兩個繞組都有中性點引出;
YNautod或YNad表示由三臺單相自耦變壓器合組成星形聯結,有中性點引出,且有三角形連接的第三繞組。
3. 表示三相變壓器聯結狀況的標號
根據國際和國內標準的規定,三相變壓器結線的組別是用時鐘上時針的位置表示的。這種方法的最大特點是把高壓側的相量作為基準,并把它定位在時間為零點的位置。把低壓側的相量作為時針對待。如果低壓相量落后高壓的相量是30度,就相當是1點鐘,因此,這種結線的組別編號就是“1”。又如,當低壓側的相量落后高壓側的相量是330度時,就相當是11點鐘,因此就把這種結線的組別編號為“11”。
用什么相量作為比較的標準呢?在國內的書刊中,大都是用線電壓的相量作比較的。而且是以AB 相的電壓作比較標準。具體說:如果低壓的線電壓落后高壓側的相應相量以270度的話,它的組別編號就是“9”。但是,近幾年的國際、國內標準都是采用相電壓進行比較的方法。具體說是用相電壓落后的角度來判定組別。文獻1就是采用這種方法的。
但是,問題來了:對于三角形結線來說,相電壓就是線電壓,那么,究竟采用哪個電壓作相電壓呢?解決方法是:把表示三角形結線的等邊三角形相量的頂點a角做一個平分線,把這個平分線的相量就當作是A相的相電壓。這當然是認為社定的。
例如,圖5是Yd結線的兩個相量圖的 圖6 用相電壓表示結線組別示意
組合。顯然,這是把低壓側的線電壓繞
組跟高壓的A相電壓繞組共同纏繞在同一個芯柱上的情況。為了求出低壓側的假想相電壓,必須把a角平分。由此可以知道:低壓側的相電壓落后高壓側的相應相電壓以30度。也就是說,這種結線的組號是“1”。如果想全面寫出這種結線的代碼就是Yd1。美國國家標準中規定,Yd形變壓器就是采用Yd1。我國則采用Yd11。
三.三相變壓器結聯組別的判定方法
因為本文是文獻1的學習筆記,所以本文將以文獻1的方法作為討論的基礎。這種方法的最大特點是用相電壓作比較。三角形結線時的相電壓是假想的。此外,作者根據這種基本畫法,也提出了簡化畫法,供參考。
1. Y-d形結線的變壓器聯結組別的判定方法
例1:設Y-d形結線的三相變壓器如圖7的(a)圖所示,怎樣判別其結線組別呢?
答:文獻1介紹的方法大體是這樣:
步驟1:畫高壓側相量圖 設三相電壓對稱,畫出高壓側的三相正序相量圖,并使相電壓平行于X軸;(效果見圖b)
圖7 畫相量圖求結線組別
步驟2:畫低壓側相量圖 畫低壓側的三角形相量:因為從圖(a)可以看出:電壓是跟同相。因此,相量是跟同相的。同理,相量是跟同相的;相量是跟同相的。這樣,低壓側的三角形結線的相量就畫出來了(見圖c)。在這里,要特別注意的是:相量下標中的第一個字母是代表相量箭頭兒的方向的,但是,在圖中沒有畫出箭頭兒。
步驟3: 求假想的相電壓 從三角形的中心向三角形的頂點a作一條引線。這條線就是假想的相電壓。見圖(c);
步驟4:求落后于的角度 從三角形的中心引一條平行于的平行虛線(見圖c),這條線就代表高壓側的A相電壓。
由圖(c)可見,這種接線方式的低壓側“相電壓”落后于高壓側的A相電壓的角度是30度,因此,圖7(a)所示的三相變壓器的接線組別屬于“1組”,因此,其聯結方式的標號是Yd1。
這種畫法是文獻1給出的畫法,也是本文介紹的基本方法。
例2:對例1還有更簡單的畫法嗎?
答:作者認為,還可以把畫法更簡化一下。例如,對于圖7所示的變壓器組別可以用下述方法判斷:
步驟1:在X軸上畫出(有箭頭兒,但是,其他兩個相電壓可以不畫);
步驟2:因為跟高壓端A相電壓接在同一個芯柱上的低壓是,所以,要把它畫得跟平行并重合。但是,一定要注意箭頭方向。
圖8 Y-d1結線相量的簡易畫法
步驟3:既然等腰三角型的a點和b點都定下來了,剩下的c點就應該按abc的正相順序畫出來;
步驟4:作a角的平分線,并把它延長后,即可得低壓相量。可以看出,它落后對應的高壓的角度是30度。因此,這種結線方式的標號是Yd1。
我認為,這種簡化畫法的特點是把高壓相量和低壓相量畫到一個圖上了。優點是簡單(高壓端只畫一個電壓即可)、直觀(相位差用一個圖顯示,而且畫出了箭頭)。
例3:一臺三相變壓器,其一次是三角形結線,10.5 kV;二次是Y形結線,電壓為110 kV,其聯結圖如下圖所示,請用簡化法找出其聯結標號。
圖9 判斷Yd11型結線的組別例題
答:雖然一次側是三角形結線,但是,因為它的電壓低于二次側,所以,當畫相量求解此問題時,根據規定還是要把高壓的相量置于上方,并把高壓作為標準。采用簡易畫法的步驟是:
步驟1:在X軸上畫出;
步驟2:畫出跟高壓端A相繞組接在同一個芯柱上的低壓;
步驟3:按abc的正相順序畫出低壓結線的三角形相量圖;
步驟4:作a角的平分線,并把它延長后,即可得低壓相量。可以看出,它落后對應的高壓的角度是330度。因此,這種結線方式的標號是Yd11。
2. D-y形接線的變壓器組別的判定方法
例4:設Y-d形結線的三相變壓器如10的(a)圖所示,這是IEC標準提供的聯結圖。IEC采用的默認標志法是“減極性”的。怎樣判別其結線組別呢?
答:首先畫出高壓側的相量圖,如圖(b)所示。因為低壓繞組的是跟高壓側的繞在同一個芯柱上的,所以,的相量將如圖(c)所示。比較圖(b)和(c)可知,這種聯結方式的標號是Dy11。
圖10 求Dy11結線的標號
例5:上述結線也可以用簡化法求解嗎?
答:可以用簡易方法畫出。見圖11。這種畫法的特點是:把三相三角形畫全;但是;低壓側的Y形只畫一個相電壓,這個相電壓就是跟高壓繞組
在同一個鐵芯柱上的那個電壓,在本題里,就是電壓
,見圖(b)。
圖11 D-y11形結線的相量圖的簡易畫法
因此,圖11(a)的聯結標號是Dy11。在圖(b)中的虛線表示低壓側可能聯結的電壓。可以看出:這種結線方法有6種,而且都是奇數的。
3.Y-Y形接線的變壓器聯結組別的判定方法
例6:怎樣對Y-Y結線的相量進行分析呢?
答:對Y-Y結線的分析比較簡單。例如對下圖的變壓器結線圖來說,首先要畫出高壓側的相量圖(見圖b),然后再畫低壓側的相量(見圖c)。畫低壓側相量的關鍵是把的相量畫得跟相一致。因為,在這里,它們兩個繞組是繞在同一個鐵芯柱上的。
由圖可見,落后于的角度是120度,因此,這種結線是Yy4。
圖12 Yy形結線的相量圖
例7:可以用簡化方法分析Y-Y結線的變壓器嗎?
答:也可以把兩個相量畫到一個圖上。見下圖。畫圖的關鍵還是把處于同一個鐵芯柱上的兩個電壓畫成同相。然后確定低壓落后的角度是多少。
圖中的虛線表示可能出現的的相量。也是有6種,不過都是雙數的。在本題里,跟同相;跟同相,因此,聯結標號是Yy4。
圖13 Y-Y形結線的簡化相量圖
4.形接線的變壓器聯結組別的判定方法
例8:下圖是一種Dd形結線的三相變壓器,試求其結線組別。
答:其實,對形結線的變壓器,按線電壓分析也是很方便的。不過,我還是希望用相電壓的方法進行分析,以便全文一致。
圖(b)是高壓側的正序相量圖。電壓是假想的相電壓。圖(c)是低壓側的相量圖。為什么三角形要倒立著畫?這是因為高壓側的電壓是,跟它繞在同一鐵芯柱上的低壓是,畫相量圖時,二者必須是同相的。除了要滿足這個要求之外,還必須滿足低壓相量也是正序的要求,因此,低壓側的相量只好倒立了。
在低壓側的相量上也畫出假想的a相電壓之后,低壓的落后于高壓側的角度是多少也就確定了。從相量圖看:與平行線的夾角是負30度;與平行線的夾角是正30度。因此,落后于的角度是300度,即這種結線的組號是Dd10。
圖14 Dd10結線三相變壓器的相量圖
例9:可以用簡化法求解例8嗎?
答:當然可以。下圖就是簡化分析圖。為什么低壓的相量要倒立,在上題中已經做過解釋。這種畫法的特點是把高壓和低壓的相量圖畫到一張圖上。優點是容易判別角差。
圖15 Dd10結線三相變壓器的簡化相量圖
6.Z形接線的變壓器組別的判定方法
Z型接線變壓器又稱曲折聯結形變壓器。在結構上與普通三相芯式電力變壓器相同,只是在低壓側的每相鐵芯柱有兩個繞組,其中一個繞組屬于本相的,在相位上跟本相的高壓同相,但是,另一半電壓取自另外的繞組。見下圖。
圖16 Z形結線三相變壓器的相量圖
從相量圖分析,跟高壓A相同相的電壓是。另外在這個基礎上還有,合成低壓是。跟的相位差是330度。因此,這種聯結方法的標號屬于Yz11。這樣結線的好處是可以降低零序電流的影響。
四.根據變壓器聯結組別標號繪制接線圖的方法
如果知道三相變壓器的結線標號是可以畫出它的具體結線圖的。現舉兩例予以說明
1. Y-y形接線的變壓器結線圖的繪制方法
例10 已經知道三相變壓器的編組號是Yy8,請畫出三相變壓器的聯結圖。問:(1)如果變壓器是按“減極性”標志時怎樣畫?(2)如果變壓器是按“加極性”標志時怎樣畫?
圖17 Yy8結線的三相變壓器相量圖和結線圖
答:如果變壓器是按“減極性”標注同名端時,其結線就應該是圖(b)的樣子。為什么?
因為編號為Yy8時,就是說低壓側的a相電壓落后高壓側的A相電壓是240度。而從相量圖可知,落后240度的位置跟同相。也就是說:這個位置就是定下來以后,另外兩個低壓相量也就定下來了(按正序)。
有了相量圖,就可以結線了。圖(b)是變壓器按“減極性”標極性時的結線方法;圖(c)是當變壓器按“加極性”標極性時的結線法。
2. Y-d形和D-y形變壓器聯結圖的繪制方法
例11已經知道三相變壓器的編組號是Yd5,請畫出三相變壓器的聯結圖。問:(1)如果變壓器是按“減極性”標志時怎樣畫?(2)如果變壓器是按“加極性”標志時怎樣畫?
圖18 Yd5形結線的三相變壓器相量圖和結線圖
答:Td5結線就是說低壓側的a相電壓落后高壓側A相電壓的角度是150度。因此,其相量圖將如圖(a)所示。由相量圖可以看出:
跟
同相;
跟
同相;
跟
同相。根據這種相量關系和變壓器的極性標記就可以繪制出結線圖了。圖(b)是“減極性”畫法;圖(c)是“加極性”畫法。
五.三相變壓器負序相量圖的繪制方法
我們在上面介紹的都是正序相量圖的畫法。正序相量的特點是三相相量ABC是沿逆時針方向旋轉,但是,畫相量圖時,其ABC順序是沿順時針方向排列的。畫逆相序相量圖時則是相反的。它的三相相量的旋轉方向是按ABC相序沿順時針旋轉的,但是,畫相量圖時則是把ABC的順序做逆時針方向排列的。下圖就是對Yd1結線的三相變壓器做出的逆相序相量圖。可見,低壓側的負序電壓超前相應的高壓的相位是30度角。
如果將此相量圖跟圖7的正序相量圖相比,最大的差別有二:一是畫相量圖時,相序方向跟正序是相反的;二是判斷低壓跟高壓的相位差時,是按低壓超前高壓的角度來衡量的。
圖19 Yd1形結線的三相變壓器的逆序相量圖
圖20是把兩個相量畫到一張圖上的情況。
圖20 Yd1結線變壓器的負序簡化相量圖
其實,如果知道正序相量圖,負序相量圖也就可以知道了。因為對同一個結線標號的三相變壓器來說,如果在正相序的情況下,低壓相量落后相應的高壓相量是多少度,其負相序的低壓相量就超前于對應高壓相量就是多少度。也就是說二者是鏡像關系。以上述的Yd1結線的三相變壓器來說,在正序的條件下,落后于以30度;在負序的條件下,就超前于以30度。
下一篇:三相變壓器你知道多少?
上一篇: ;變壓器的選擇介紹